對於與患者直接或間接接觸的器械,應當進行生物學評價。總的來說,生物學評價是一種風險管理活動,企業自產品設計開發時就應考慮其生物學風險,並在注冊申報時提交生物學評價資料。那麼企業應如何選擇生物相容性檢驗項目呢?本期文章我們從生物相容性的定義及醫療器械使用情況分類來一一分析。
醫療器械的生物相容性是指器械在宿主的特定環境和部位與宿主直接或間接接觸時所產生的相互反應的能力。或可理解為器械在生物體內處於靜態或動態變化過程中,能耐受宿主各係統作用而保持相對穩定、不被排斥和破壞的生物學性能。“生物相容”與“生物不相容”並非某種材料的天然或絕對“標簽”,生物相容性是動態概念,需結合材料具體性能和特定的臨床應用場景進行判斷。
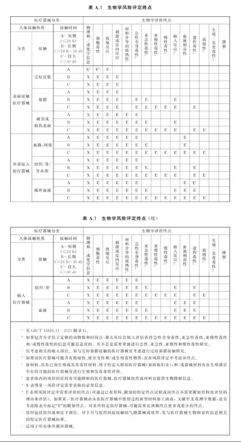
1. 按人體接觸性質,需要生物相容性信息的醫療器械分為三種:表麵接觸醫療器械、外部接入醫療器械和植入醫療器械。
1.1 表麵接觸醫療器械
按表麵接觸醫療器械的接觸性質,又分為三種情況。第一種情況是僅與完整皮膚接觸的醫療器械,常見的醫療器械產品有壓縮繃帶、固定帶、醫用手套等;第二種情況是與完整黏膜接觸的醫療器械,常見的產品有接觸鏡、導尿管、氣管內插管、支氣管鏡、某些義齒等;第三種情況是與傷口或其他損傷體表麵接觸的醫療器械,常見的產品就是創可貼、用於潰瘍的敷料或封閉敷貼等。
1.2 外部接入醫療器械
按外部接入醫療器械的性質,又分為三種情況。第一種情況是不與血路直接接觸,但作為通路向血管係統輸入液體的醫療器械或組件,常見的產品有輸液器具、延長器、轉移器和輸血器具等;第二種情況是與組織、骨或牙髓/牙本質係統接觸的醫療器械,常見的產品有腹腔鏡、關節內窺鏡、引流係統、牙科充填材料和皮膚釘等;第三種情況是與循環血液接觸的醫療器械,常見的產品就是血管內導管、臨時性起搏電極、氧合器、體外氧合器管路及附件,透析器等。
1.3 植入醫療器械
按照植入醫療器械的應用部位,又分為兩種情況。第一種情況是主要與骨接觸的醫療器械或與組織和組織液接觸的醫療器械,與骨接觸的常見的產品有矯形釘、矯形板和人工關節等,與組織和組織液接觸的醫療器械常見產品主要有起搏器、植入性給藥器械、人工肌腱、乳房植入物等;第二種情況是在心血管係統內主要與循環血液接觸的醫療器械,常見的產品有起搏器電極、人工動靜脈瘺管、心髒瓣膜、人工血管和心室輔助器械等。
2. 按接觸時間分類,一般分為:短期接觸(A)醫療器械、長期接觸(B)醫療器械、持久接觸(C)醫療器械、瞬時接觸醫療器械和多種接觸時間醫療器械。
2.1 短期接觸(A)醫療器械
一次、多次或重複接觸,累計時間在24h以內的醫療器械。
2.2 長期接觸(B)醫療器械
一次、多次或重複接觸,累計時間在24h以上30d以內的醫療器械。
2.3 持久接觸(C)醫療器械
一次、多次或重複接觸,累計時間超過30d以上的醫療器械。
2.4 瞬時接觸醫療器械
某些與人體短期接觸(A)的醫療器械非常快速/短暫接觸人體(如使用時間小於1min的手術刀皮下注射針、毛細管),通常不需要生物相容性試驗。然而,某些產品的材料,如塗層或潤滑劑在醫療器械移除後可能會留在所接觸的人體組織內,因此可能需要更詳細的生物相容性評估。還宜考慮累積使用時間。
2.5 多種接觸時間分類的醫療器械
如果一種材料或醫療器械兼屬於一種以上的時間分類,應采用較嚴的試驗和/或評價考慮。對於預期多次接觸的醫療器械,對醫療器械分類應考慮潛在的累積作用和這些接觸總的跨越時間。如果一種醫療器械預期在使用壽命期間發生變化,比如在原位發生聚合和/或降解,應分別對醫療器械的不同狀態進行評價。例如,預期在原位發生聚合的可吸收膠,該醫療器械的不同狀態就包括:原始組分、中間反應產物、完全聚合的材料和降解產物。
按照上述接觸性質和接觸時間2個分類原則確定了醫療器械類別之後,再根據標準GB/T 16886.1-2022的附錄A表A.1給醫療器械找出相對應的生物相容性檢驗項目。

往期精彩推薦
醫療器械注冊谘詢認準金飛鷹
深圳:0755-86194173
廣州:020 - 82177679
四川:028 - 68214295
湖南:0731-22881823
湖北:181-3873-5940
江蘇:135-5494-7827
廣西:188-2288-8311
海南:135-3810-3052
重慶:135-0283-7139


